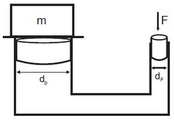
Um bloco de massa m = 9000 kg é colocado sobre um elevador hidráulico como mostra a figura acima. A razão entre o diâmetro do pistão (dP) que segura a base do elevador e o diâmetro (dF) onde deve-se aplicar a força F é de dP / dF = 30. Encontre a força necessária para se levantar o bloco com velocidade constante. Considere g = 10 m/s2 e despreze os atritos.
